1、 精密緊湊的內部結構設計360°旋轉通電,導線不會相互纏繞,不絞斷線;
2、 穩定平滑、低扭力的順暢運行可同時對電信號、高清視頻、高頻信號、指令控製、數據傳輸、伺服電機等多種信號、功率的混合傳輸;
3、導電環采用V槽設計經軍工級進口耐磨金處理,保證極低電阻波動和超長工作壽命
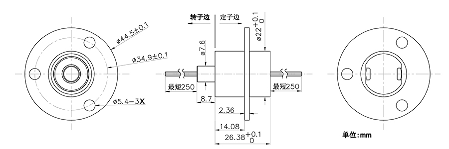
產品圖紙
技術參數
|
技術參數 |
|||
|
通路數(線數) |
8線 |
額定電流 |
2安/線 |
|
額定電壓 |
0~240 VDC/VAC |
轉速範圍 |
0-250rpm |
|
接觸點材質 |
貴金屬:金-金 |
導電環材質 |
低電阻耐磨銅合金貴金屬材質 |
|
絕緣電阻 |
500MΩ@250VDC/AC |
耐壓強度 |
500V@50HZ,60s無擊穿 |
|
接觸電阻變化值 |
靜態≤8mΩ |
工作溫度 |
-20℃+60℃ |
|
外 徑 |
ø22mm |
外殼材料 |
工程塑料或金屬材質 |
|
導線規格 |
耐高溫鐵氟龍AWG28# 低電阻鍍銀鐵氟龍線 |
導線長度 |
250mm,可以定製線長、線徑、顏色 |
|
認 證 |
CE、RoHS |
防護等級 |
IP51(更高需求可定製) |
注意:1、產品使用壽命和工作速度、工作溫度、濕度及負載等使用條件強相關.
2、電氣噪音與工作轉速,電流,電壓精密相關.
導線色碼
| 導線色碼表 | ||||||
| 環數 |
1 |
2 | 3 | 4 | 5 | 6 |
| 顏色 | 黑 | 褐 | 紅 | 橙 | 黃 | 綠 |
| 環數 | 7 | 8 | 9 | 10 | 11 | 12 |
| 顏色 | 藍 | 紫 | 灰 | 白 | 粉紅 | 淺藍 |
| 環數 | 13 | 14 | 15 | 16 | 17 | 18 |
|
顏色 |
白黑 | 白褐 | 白紅 | 白橙 | 白黃 | 白綠 |
|
環數 |
19 | 20 | 21 |
22 |
23 | 24 |
|
顏色 |
白藍 | 白紫 | 白灰 | 透明 | 白粉 | 白淺藍 |
■ 環路數 ■ 外殼材料
■ 防護等級 ■ 更高轉數■ 導線長度 ■ 端子接插件
■ 專用導線 ■ 工作溫度
■ 防鹽霧
■ 外殼可反裝■ 閉路監控雲台
■ 機械手
■ 醫療衛生設備
■ 旋轉工作平台
■ 流水線生產、工業控製設備










133 2298 6436